User Tools

Site Tools


hardware:accesories:acces-opto_lim

OptoIso Limit

Shop

This product is available in our web shop: OptoIso Limit.

Overview

OptoIso Limit adapter is a device that opto-isolates Mk3 controller limit inputs from external devices such as limit proximity sensors, limit micro switches and similar devices.

Its main function is to protect the limit input circuitry of Mk3 controller from any damage that may occur due to improper wiring or power surges at the side of externally connected device.

Also, using this adapter reduces electrical noise influence at controller limit inputs and makes up for easy connection of proximity switches.

Features and specifications

1-8 Opto-isolated Limit inputs

  • Single OptoIso Limit adapter offers 8 opto-isolated limit channels
  • Limit inputs can be used with:
    • limit switches
    • PNP and NPN proximity sensors
    • other switching devices

Limit box header

  • this header is used to connect OptoIso Limit adapter with the Mk3 controller Limit header.

POWER screw terminal:

  • External power supply screw terminal connector.
    • Min voltage value: 12VDC
    • Max voltage value: 24VDC

Solder jumpers

Solder jumpers are located at the bottom side of the adapter.

Instead of manually wiring the L- or L+ terminals of dedicated limit input, user can solder the jumper and achieve the same effect. For better explanation see connection diagrams in next chapter.

“+” solder jumpers: Each opto isolated limit input uses dedicated “+” solder jumper. This jumper is used when you want to use e.g. NPN type of proximity sensor. So if you connect your switching device that will supply the L- terminal with GND, you can solder “+” jumper so that L+ terminal will have constant Vcc potential.

“-” solder jumpers: Each opto isolated limit input uses dedicated “-” solder jumper. This jumper is used when you want to use e.g. PNP type of proximity sensor. So if you use your switching device that will supply the L+ terminal with Vcc when triggered, you can solder “-” jumper so that L- terminal will have constant GND potential.

This is very useful when user wants to use both types of external switching devices with one board, e.g. PNP and NPN proximity sensor.

Limit input specification

Each limit input uses opto-coupler and a resistor.

Limit input terminal Description
Vcc Vcc terminal
L+ Limit input for Vcc signal of opto input
L- Limit input for GND signal of opto input
GND GND terminal for switching device
  • Min voltage supplied to limit input : 12 VDC
  • Max voltage supplied to limit input: 24 VDC

Connection diagrams

NOTE: Type of connection and switches used, as also limit input used for desired axis, needs to be configured in settings accordingly: File/Settings/Motors/Limit Switches

Example schematic 1:

  • Single input wiring method of NC (normally closed) limit switches.
  • X axis NC limit switches are connected in series at L1+ input
  • Y axis NC limit switches are connected in series at L2- input
  • X axis switches supply Vcc to L1+ input, therefore user needs to connect GND at L1- terminal
  • Y axis switches supply GND to L2- input, therefore user needs to connect Vcc at L2+ terminal


Example schematic 2:

  • Single input wiring method of NC (normally closed) limit switches.
  • X axis NC limit switches are connected in series at L1+ input
  • Y axis NC limit switches are connected in series at L2- input
  • X axis switches supply Vcc to L1+ input, therefore user needs to solder “- ” jumper at the bottom side of the input
  • Y axis switches supply GND to L1- input, therefore user needs to solder “+” jumper at bottom side of the input


Example schematic 3:

  • Single input wiring method of NO (normally open) limit switches.
  • X axis NO limit switches are connected in parallel at L1+ input
  • Y axis NO limit switches are connected in parallel at L2- input
  • X axis switches supply Vcc to L1+ input, therefore user needs to connect GND at L1- terminal
  • Y axis switches supply GND to L2- input, therefore user needs to connect Vcc at L2+ terminal


Example schematic 4:

  • Single input wiring method of NO (normally open) limit switches.
  • X axis NO limit switches are connected in parallel at L1+ input
  • Y axis NO limit switches are connected in parallel at L2- input
  • X axis switches supply Vcc to L1+ input, therefore user needs to solder “- ” jumper at the bottom side of the input
  • Y axis switches supply GND to L2- input, therefore user needs to solder “+” jumper at bottom side of the input


Example schematic 5:

  • Normal input wiring method of NO (normally open) limit switches.
  • X- axis NO limit switch is connected at L1+ input
  • X+ axis NO limit switch is connected at L2+ input
  • X axis switches supply Vcc to L1+ input, therefore user needs to connect GND at L1- terminal
  • Y axis switches supply GND to L2- input, therefore user needs to connect GND at L1- terminal


Example schematic 6:

  • Wiring of PNP proximity limit sensors
  • X+ axis PNP limit sensor is connected at L1+ input
  • X- axis PNP limit sensor is connected at L2+ input
  • X+ axis sensor supplies Vcc to L1+ input, therefore user needs to connect GND at L1- terminal
  • X- axis sensor supplies GND to L2+ input, therefore user needs to connect GND at L2- terminal


Example schematic 7:

  • Wiring of NPN proximity limit sensors
  • X- axis NPN limit sensor is connected at L1- input
  • X+ axis NPN limit sensor is connected at L2- input
  • X- axis sensor supplies GND to L1- input, therefore user needs to connect Vcc at L1+ terminal
  • X+ axis sensor supplies GND to L2- input, therefore user needs to connect Vcc at L2+ terminal


Example schematic 8:

  • Wiring of PNP proximity limit sensors
  • X- axis PNP limit sensor is connected at L1+ input
  • X+ axis PNP limit sensor is connected at L2+ input
  • X- axis sensor supplies Vcc to L1+ input, therefore user needs to solder “- ” jumper at the bottom side of the input
  • X+ axis sensor supplies Vcc to L2+ input, therefore user needs to solder “- ” jumper at the bottom side of the input


Example schematic 9:

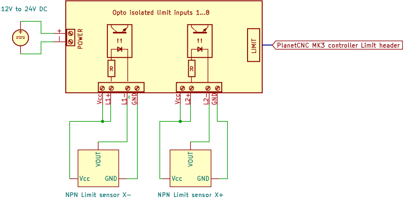
  • Wiring of NPN proximity limit sensors
  • X- axis NPN limit sensor is connected at L1- input
  • X+ axis NPN limit sensor is connected at L2- input
  • X- axis sensor supplies GND to L1- input, therefore user needs to solder “+” jumper at the bottom side of the input
  • X+ axis sensor supplies GND to L2- input, therefore user needs to solder “+” jumper at the bottom side of the input


Illustrative diagram of limit proximity sensors and micro limit switches:

OptoIso Limit adapter’s use with PlanetCNC TNG software

Limit status lights under IO state panel:

Limit IO LED settings are located under: File/Settings/User Interface/State/LED Limit → “Show”

Row displays 8 Limit inputs:

Limit switch configuration settings:

User can configure limit switch inputs depending on hardware and wiring used (NO/NC switches, single input/normal input etc) under: File/Settings/Motors/Limit Switches

We also recommend to read a tutorial regarding limit switch configuration in TNG software: How to connect and set limit switches

Dimensions:

DXF file is available at link below: OptoIso Limit DXF file

hardware/accesories/acces-opto_lim.txt · Last modified: by andrej

Page Tools